首页 | 公司简介 | 法人宣言 | 企业荣誉 | 产品展示 | 新闻中心 | 生产设备 | 厂房厂貌 | 在线订购 | 联系方式  
产品列表    
>>>
F系列 平行轴-斜齿轮减速电机
   > F系列(图片)
   > F系列结构型式说明
   > F系列机型号表示方法
   > F系列安装形式图例
   > F系列选型参数表
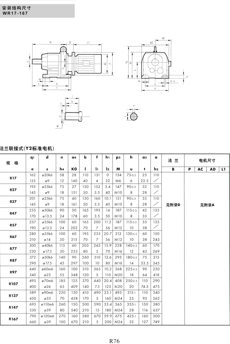
   > F系列安装结构尺寸
>>>
R系列 斜齿轮减速电机
   > R系列(图片)
   > R系列结构型式说明
   > R系列机型号表示方法
   > R系列安装形式图例
   > R系列选型参数表
   > R系列安装结构尺寸
>>>
S系列 斜齿轮-蜗轮蜗杆减速电...
   > S系列(图片)
   > S系列结构型式说明
   > S系列机型号表示方法
   > S系列安装形式图例
   > S系列选型参数表
   > S系列安装结构尺寸
>>>
K系列 斜齿轮-弧齿锥齿轮减速...
   > K系列(图片)
   > K系列结构型式说明
   > K系列机型号表示方法
   > K系列安装形式图例
   > K系列选型参数表
   > K系列安装结构尺寸
>>>
摆线针轮减速机
   > 产品图片
   > 结构说明
   > 选型说明
   > 使用及润滑需知
   > 配套说明
>>>
硬齿面减速机
   > 硬齿面减速机产品图片
   > 硬齿面减速机结构说明
   > 硬齿面减速机外形及安装尺寸
   > 硬齿面减速机承载能力
   > 硬齿面减速机使用及润滑需知
>>>
机架
   > 产品图片
>>>
DBY-DCY系列圆锥圆柱齿轮...
   > 产品图片
   > 产品说明
   > 外形尺寸、装配尺寸、承载能力...
   > 减速器的润滑
   > 安装、使用与维护
   > 减速器的选用
   > 额定输入、输出扭矩
   > 附录
>>>
ZLYJ塑料橡胶挤出机减速机
   > 产品介绍
   > ZLYJ塑料橡胶挤出机减速机...

 


联系方式
地址:常州市前黄镇工业集中区敬业路12号
电话:0519-86517325 86517326
传真:0519-86517328
邮编:213172
网址:http://www.czdisar.com
邮箱:disaixiaoshou@163.com
 
·产品展示-- R%CF%B5%C1%D0%B0%B2%D7%B0%BD%E1%B9%B9%B3%DF%B4%E7
 
 
----
共:7
当前第1
  版权所有:江苏迪赛减速机有限公司 2009 技术支持:新竞争力

地址:常州市前黄镇工业集中区敬业路5号
  [后台管理]